1906 Sunmaktadır

Alt kategori
Üretici
Konumunuz belirlenemediğinden mesafe göstergesi mümkün değildir. Önkoşul, tarayıcınızın çerezlere ve konum belirlemeye izin veriyor olmasıdır.
fiyat: -
Yeni: -
Üretici:
model:
Makine türü:
madde-No::
Satıcı-madde-No:
Müzayede:
kullanılmış veya yeni:
Yarıçap araması:

 

Üretici:
(kategori: 703)

Alco 11
APV 2
CES 1
CFS 40
CRM 1
DIL 1
DMS 4
FMS 1
FMT 1
Frey 20
GEA 18
HTS 1
IWM 1
J 1
JBT 1
KBS 1
KT 1
MADO 19
MAJA 29
MBM 1
et ve balık işleme makineleri /Kesiciler ve vakumlu kesiciler
19.06.2022
onaylı
Satıcı
madde-No: 159208692
Yeni yer: 2000

kullanılmış

check
yer: Land-tr

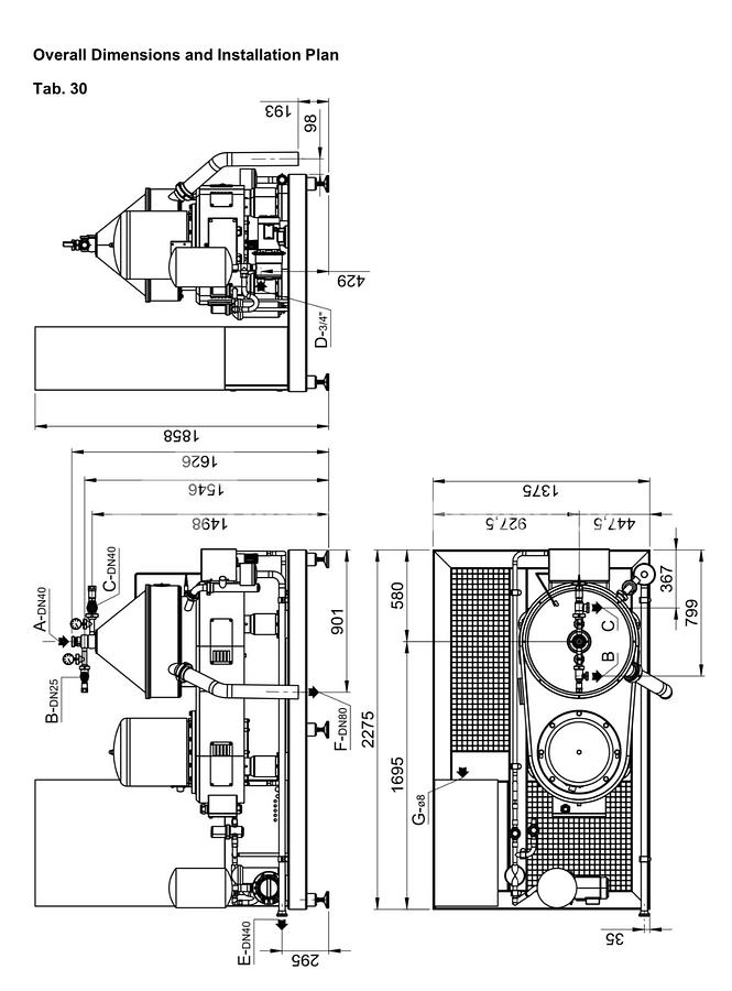
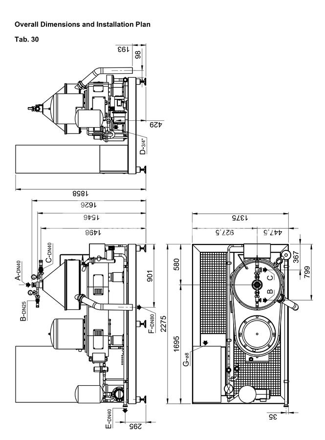
LASKA VAKUM KESICI KU 750 V

et ve balık işleme makineleri
01.04.2026
onaylı
Satıcı
madde-No: 169253888
Yeni yer: 2025

Yeni

check
yer: Land-uk

Operating characteristics, o Feeding in closed pipe., o Outlet is guaranteed under pressure by 2 centripetal pumpsmade in AISI 304., o All material in contact with the product is made in stainless steel AISI 304 or higher., o The outflow system is completed with 2 pressure gauges in AISI 304 stainless steel and 2 micrometric valves to modulate the pressure of the lean and the concentration of the cream., o The sludge discharge is electronically controlled (through a hydrodynamic circuit) and takes place without interrupting the working process. The time interval between the single discharges can be programmed according to the characteristics of the product., o There is an automatic washing program at the end of the work in a closed cycle (CIP). Therefore, disassembly of the bowl is not required., Construction features and equipment, o Platform: fully made in stainless steel AISI 304 with ...

et ve balık işleme makineleri
01.04.2026
onaylı
Satıcı
madde-No: 169253889
Yeni yer: 2025

Yeni

check
yer: Land-uk

Operating characteristics, o Feeding in closed pipe., o Outlet is guaranteed under pressure by 2 centripetal pumpsmade in AISI 304., o All material in contact with the product is made in stainless steel AISI 304 or higher., o The outflow system is completed with 2 pressure gauges in AISI 304 stainless steel and 2 micrometric valves to modulate the pressure of the lean and the concentration of the cream., o The sludge discharge is electronically controlled (through a hydrodynamic circuit) and takes place without interrupting the working process. The time interval between the single discharges can be programmed according to the characteristics of the product., o There is an automatic washing program at the end of the work in a closed cycle (CIP). Therefore, disassembly of the bowl is not required., Construction features and equipment, o Platform: fully made in stainless steel AISI 304 with ...

et ve balık işleme makineleri
01.04.2026
onaylı
Satıcı
madde-No: 169253890
Yeni yer: 2025

Yeni

check
yer: Land-uk

Operating characteristics, o Feeding in closed pipe., o Outlet is guaranteed under pressure by 2 centripetal pumpsmade in AISI 304., o All material in contact with the product is made in stainless steel AISI 304 or higher., o The outflow system is completed with 2 pressure gauges in AISI 304 stainless steel and 2 micrometric valves to modulate the pressure of the lean and the concentration of the cream., o The sludge discharge is electronically controlled (through a hydrodynamic circuit) and takes place without interrupting the working process. The time interval between the single discharges can be programmed according to the characteristics of the product., o There is an automatic washing program at the end of the work in a closed cycle (CIP). Therefore, disassembly of the bowl is not required., Construction features and equipment, o Platform: fully made in stainless steel AISI 304 with ...

et ve balık işleme makineleri
01.04.2026
onaylı
Satıcı
madde-No: 169253887
Yeni yer: 2025

Yeni

check
yer: Land-uk

Operating characteristics, o Feeding in closed pipe., o Outlet is guaranteed under pressure by 2 centripetal pumpsmade in AISI 304., o All material in contact with the product is made in stainless steel AISI 304 or higher., o The outflow system is completed with 2 pressure gauges in AISI 304 stainless steel and 2 micrometric valves to modulate the pressure of the lean and the concentration of the cream., o The sludge discharge is electronically controlled (through a hydrodynamic circuit) and takes place without interrupting the working process. The time interval between the single discharges can be programmed according to the characteristics of the product., o There is an automatic washing program at the end of the work in a closed cycle (CIP). Therefore, disassembly of the bowl is not required., Construction features and equipment, o Platform: fully made in stainless steel AISI 304 with ...

et ve balık işleme makineleri /Dolum ve vakum dolum makineleri
25.03.2026
onaylı
Satıcı
madde-No: 168928738

kullanılmış

check
yer: Land-uk

Vemag HP30E Vakum Dolgu  Yükleyici ile birlikte

et ve balık işleme makineleri /Et kıymaları
25.03.2026
onaylı
Satıcı
madde-No: 168928737

kullanılmış

check
yer: Land-uk

Kolbe MWK32-45 Mikser Öğütücüsü Hopper kapasitesi 20-60 lbs - 45 litre Geçirimliliği 950kg/saat Ana tahrik motoru 4 HP, 3 KW Karıştırma motoru 0.5hp, 0.37KW Kolbe MWK32-45 mikser öğütücüsü, kompakt bir öğütücü öğütücüdür Küçük partilerde sosis ve burger eti üreten kasaplar için mükemmel.

et ve balık işleme makineleri
13.03.2026
onaylı
Satıcı
madde-No: 168856662
Yeni yer: 1998

kullanılmış

check
yer: Land-uk

This Sterile Milk Tank has a Capacity of 16,700 Litres, it does not include the valve cluster and PLC program. There are a few valves available with the tank but these would need to be reconnected to a valve cluster program. This tank was connected to a central control room . The condition is good and there has not been any damages . Aseptic tanks are used for the process of Milk, Juice and other liquids required aseptic pasteurisation prior to the filling machines., The APV Aseptic Tank is a type of equipment designed for the storage and processing of liquids, particularly in industries such as food and beverage, pharmaceuticals, and biotechnology. Here are some key features of the APV Aseptic Tank:, - Sterile Environment: The APV aseptic tank maintains an environment that is free from contaminants, crucial for the integrity and safety of the stored product., - Construction Material: Ty ...

et ve balık işleme makineleri /Dolum ve vakum dolum makineleri
11.03.2026
onaylı
Satıcı
madde-No: 168844444
Yeni yer: 1999

kullanılmış

check
yer: Land-uk

The Ilpra FS 5000 is equipped with twin stages of all stations, the filling heads are built to fill various products ie. Yoghurt, Cream, Sauces, Milk, Fruit pieces of 1 cm, Custard, Etc. The easy maintenance makes these machines highly recommended in production floors keeping productivity at a steady pace. Ilpra cup fillers are mainly driven by a main motor and signals for the air cylinders to take action on each station. The filling volumes depend on the clients needs, therefor these have a standard filling volume of 50-500 ml per cup, we can enlarge the filling volume by increasing the diameter of the filling cylinder on request., Cup Diameter: 95 mm Outside diameter , Filling Range: 50-500 grams , Capacity: 4800 cups/Hour , Stations: Cup Dispenser -> Filling -> Aluminium Lid Applicator -> Sealing -> Date Stamping -> Out-feed Conveyor , Guarding: Fully Enclosed Cabin , Control Panle: S ...

et ve balık işleme makineleri
25.02.2026
onaylı
Satıcı
madde-No: 168805743

kullanılmış

check
yer: Land-uk

Butter-Homogenizer / Microfix, fationalizes the processing and packaging of cold store butter by reducing the time of defreezing (butter having a temperature of ±4 °C can be homogenized by the Microfix, homogenizing butter having lower temperatures depends on the consistency of the butter). Automatic adaption of the Microfix to the output of the combined packaging machine by means of a feeler switch is possible (not on the machine at this moment). Improving the quality of the butter by ensuring finest water dispersion resulting in an increased shelf life of the homogenized and packed butter. Likewise, the spreadability of the butter is improved. Reducing the loss of water during the packaging operation. The Microfix is adapted to the actual quality of butter by means of a variable feed worm drive, rotors having different numbers of knives (this machine is equiped with a stainless steel ...

et ve balık işleme makineleri
30.01.2026
onaylı
Satıcı
madde-No: 168653183
Yeni yer: 2025

kullanılmış

check
yer: Land-uk

The HTST (High-Temperature Short-Time) pasteuriser from Dairy Machinery UK is designed to provide efficient pasteurization of liquid dairy products while preserving their quality and safety. Here are some key features:, - Process Efficiency: HTST pasteurisation involves heating the dairy product to a high temperature (typically around 72°C and other temperatures on request ) for a short time (15-30 seconds and other timings on request ), which kills harmful bacteria and extends shelf life., - Quality Preservation: This method retains the taste and nutritional value of the dairy products better than traditional pasteurization methods, minimizing the impact on flavor and color., - Automated Control: Many HTST systems come with automated controls that monitor temperatures and flow rates, ensuring consistent pasteurisation and reducing human error., - Compliance Standards: Designed to meet  ...

et ve balık işleme makineleri /Dolum ve vakum dolum makineleri
29.01.2026
onaylı
Satıcı
madde-No: 168647125

kullanılmış

check
yer: Land-uk

The Ilpra FS 6000 is equipped with twin stages of all stations, the filling heads are built to fill various products ie. Yoghurt, Cream, Sauces, Milk, Fruit pieces of 1 cm, Custard, Etc. The easy maintenance makes these machines highly recommended in production floors keeping productivity at a steady pace. Ilpra cup fillers are mainly driven by a main motor and signals for the air cylinders to take action on each station. The filling volumes depend on the clients needs, therefor these have a standard filling volume of 50-500 ml per cup, we can enlarge the filling volume by increasing the diameter of the filling cylinder on request., Make: Ilpra , Model: FS 6000, Capacity: 4800, Year of Manufacture: 2003, Filling Volume: 50-500 ml per cup , Cup Dispenser: Automatic twin dispenser , Filling: Twin Filling Heads , Filling Specs: Fruits up to 1 cm pieces , Sealing: Twin Heat Sealing Station , ...

et ve balık işleme makineleri
28.01.2026
onaylı
Satıcı
madde-No: 168641291
Yeni yer: 2025

Yeni

check
yer: Land-uk

New Batch Pasteurisers custom made on request., Dairy Machinery UK offers new Batch pasteurisers for the Food and beverage industry. Our BPT Series is capable of Milk Pasteurisation, Ice cream mixing, Ice Ceam Fermentation, Sauces, Brewery industry,etc., Applications:, - Dairy Processing: Most commonly used in the dairy industry to pasteurise milk and milk products., - Cheese Production: Used before cheese-making to ensure safety., - Ice Cream Production: Pasteurises the base mixture before it is churned into ice cream., Advantages of Batch Pasteurisation:, - Cost-Effective: Often less expensive than continuous pasteurisers for small to medium operations., - Flexibility: Suitable for small batches or varied products and recipes., - Quality Control: Allows for greater control over the pasteurisation process., Volume Capabilities (Litres): 200 , Control Panel: Stainless steel Control box,  ...

et ve balık işleme makineleri
28.01.2026
onaylı
Satıcı
madde-No: 168641293

kullanılmış

check
yer: Land-uk

General Overview, Pasteurising, cooling, chilling, curing, emulsifying, reconstituting, incubating and mixing are all processes essential in the food processing laboratory. The Armfield Multi-Purpose Processing Vessel is capable of carrying out all of these functions as a self-contained,mobile unit. Its mobility allows it to be positioned in the laboratory adjacent to other equipment that it may be acting as a service to, and also makes it easily stowable. The hygienically designed jacketed vessel has a working capacity of between 10 and 15 litres which allows experimentation and demonstrations without the need for large quantities of raw materials. An electrical heating element positioned at the base of the jacket heats water in the jacket which in turn heats the contents of the vessel. This method gives a gentle, transfer of heat to ingredients that are often heat sensitive and local h ...

et ve balık işleme makineleri
28.01.2026
onaylı
Satıcı
madde-No: 168641296
Yeni yer: 2025

kullanılmış

check
yer: Land-uk

New Batch Pasteurisers custom made on request. offers new Batch pasteurisers for the Food and beverage industry. Our BPT Series is capable of Milk Pasteurisation, Ice cream mixing, Ice Cream Fermentation, Sauces, Brewery industry,etc., Applications:, - Dairy Processing: Most commonly used in the dairy industry to pasteurise milk and milk products., - Cheese Production: Used before cheese-making to ensure safety., - Ice Cream Production: Pasteurises the base mixture before it is churned into ice cream., Advantages of Batch Pasteurisation:, - Cost-Effective: Often less expensive than continuous pasteurisers for small to medium operations., - Flexibility: Suitable for small batches or varied products and recipes., - Quality Control: Allows for greater control over the pasteurisation process., Volume capabilities (litres): 300, Control panel: Stainless steel Control box, Controls, Thermomete ...

et ve balık işleme makineleri
28.01.2026
onaylı
Satıcı
madde-No: 168641299
Yeni yer: 2025

Yeni

check
yer: Land-uk

New Batch Pasteurisers custom made on request., Dairy Machinery UK offers new Batch pasteurisers for the Food and beverage industry. Our BPT Series is capable of Milk Pasteurisation, Ice cream mixing, Ice Cream Fermentation, Sauces, Brewery industry,etc., Applications:, - Dairy Processing: Most commonly used in the dairy industry to pasteurise milk and milk products., - Cheese Production: Used before cheese-making to ensure safety., - Ice Cream Production: Pasteurises the base mixture before it is churned into ice cream., Advantages of Batch Pasteurisation:, - Cost-Effective: Often less expensive than continuous pasteurisers for small to medium operations., - Flexibility: Suitable for small batches or varied products and recipes., - Quality Control: Allows for greater control over the pasteurisation process., Volume Capabilities (Litres): 1000, Control Panel: Stainless steel Control box, ...

et ve balık işleme makineleri
28.01.2026
onaylı
Satıcı
madde-No: 168641300
Yeni yer: 2025

Yeni

check
yer: Land-uk

New Batch Pasteurisers custom made on request. offers new Batch pasteurisers for the Food and beverage industry. Our BPT Series is capable of Milk Pasteurisation, Ice cream mixing, Ice Cream Fermentation, Sauces, Brewery industry,etc., Applications:, - Dairy Processing: Most commonly used in the dairy industry to pasteurise milk and milk products., - Cheese Production: Used before cheese-making to ensure safety., - Ice Cream Production: Pasteurises the base mixture before it is churned into ice cream., Advantages of Batch Pasteurisation:, - Cost-Effective: Often less expensive than continuous pasteurisers for small to medium operations., - Flexibility: Suitable for small batches or varied products and recipes., - Quality Control: Allows for greater control over the pasteurisation process., Volume capabilities (litres): 900, Control panel: Stainless steel Control box, Controls, Thermomete ...

et ve balık işleme makineleri
28.01.2026
onaylı
Satıcı
madde-No: 168641301
Yeni yer: 2025

Yeni

check
yer: Land-uk

New Batch Pasteurisers custom made on request. offers new Batch pasteurisers for the Food and beverage industry. Our BPT Series is capable of Milk Pasteurisation, Ice cream mixing, Ice Cream Fermentation, Sauces, Brewery industry,etc., Applications:, - Dairy Processing: Most commonly used in the dairy industry to pasteurise milk and milk products., - Cheese Production: Used before cheese-making to ensure safety., - Ice Cream Production: Pasteurises the base mixture before it is churned into ice cream., Advantages of Batch Pasteurisation:, - Cost-Effective: Often less expensive than continuous pasteurisers for small to medium operations., - Flexibility: Suitable for small batches or varied products and recipes., - Quality Control: Allows for greater control over the pasteurisation process., Volume capabilities (litres): 800, Control panel: Stainless steel Control box, Controls, Thermomete ...

et ve balık işleme makineleri
28.01.2026
onaylı
Satıcı
madde-No: 168641302
Yeni yer: 2025

Yeni

check
yer: Land-uk

New Batch Pasteurisers custom made on request. offers new Batch pasteurisers for the Food and beverage industry. Our BPT Series is capable of Milk Pasteurisation, Ice cream mixing, Ice Cream Fermentation, Sauces, Brewery industry,etc., Applications:, - Dairy Processing: Most commonly used in the dairy industry to pasteurise milk and milk products., - Cheese Production: Used before cheese-making to ensure safety., - Ice Cream Production: Pasteurises the base mixture before it is churned into ice cream., Advantages of Batch Pasteurisation:, - Cost-Effective: Often less expensive than continuous pasteurisers for small to medium operations., - Flexibility: Suitable for small batches or varied products and recipes., - Quality Control: Allows for greater control over the pasteurisation process., Volume capabilities (litres): 700, Control panel: Stainless steel Control box, Controls, Thermomete ...

et ve balık işleme makineleri
28.01.2026
onaylı
Satıcı
madde-No: 168641303
Yeni yer: 2025

Yeni

check
yer: Land-uk

New Batch Pasteurisers custom made on request. offers new Batch pasteurisers for the Food and beverage industry. Our BPT Series is capable of Milk Pasteurisation, Ice cream mixing, Ice Cream Fermentation, Sauces, Brewery industry,etc., Applications:, - Dairy Processing: Most commonly used in the dairy industry to pasteurise milk and milk products., - Cheese Production: Used before cheese-making to ensure safety., - Ice Cream Production: Pasteurises the base mixture before it is churned into ice cream., Advantages of Batch Pasteurisation:, - Cost-Effective: Often less expensive than continuous pasteurisers for small to medium operations., - Flexibility: Suitable for small batches or varied products and recipes., - Quality Control: Allows for greater control over the pasteurisation process., Volume capabilities (litres): 500, Control panel: Stainless steel Control box, Controls, Thermomete ...

et ve balık işleme makineleri
28.01.2026
onaylı
Satıcı
madde-No: 168641304
Yeni yer: 2025

Yeni

check
yer: Land-uk

New Batch Pasteurisers custom made on request. offers new Batch pasteurisers for the Food and beverage industry. Our BPT Series is capable of Milk Pasteurisation, Ice cream mixing, Ice Cream Fermentation, Sauces, Brewery industry,etc., Applications:, - Dairy Processing: Most commonly used in the dairy industry to pasteurise milk and milk products., - Cheese Production: Used before cheese-making to ensure safety., - Ice Cream Production: Pasteurises the base mixture before it is churned into ice cream., Advantages of Batch Pasteurisation:, - Cost-Effective: Often less expensive than continuous pasteurisers for small to medium operations., - Flexibility: Suitable for small batches or varied products and recipes., - Quality Control: Allows for greater control over the pasteurisation process., Volume capabilities (litres): 400, Control panel: Stainless steel Control box, Controls, Thermomete ...

et ve balık işleme makineleri
28.01.2026
onaylı
Satıcı
madde-No: 168641305
Yeni yer: 2025

kullanılmış

check
yer: Land-uk

New Batch Pasteurisers custom made on request. offers new Batch pasteurisers for the Food and beverage industry. Our BPT Series is capable of Milk Pasteurisation, Ice cream mixing, Ice Cream Fermentation, Sauces, Brewery industry,etc., Applications:, - Dairy Processing: Most commonly used in the dairy industry to pasteurise milk and milk products., - Cheese Production: Used before cheese-making to ensure safety., - Ice Cream Production: Pasteurises the base mixture before it is churned into ice cream., Advantages of Batch Pasteurisation:, - Cost-Effective: Often less expensive than continuous pasteurisers for small to medium operations., - Flexibility: Suitable for small batches or varied products and recipes., - Quality Control: Allows for greater control over the pasteurisation process., Volume capabilities (litres): 100 , Control panel: Stainless steel Control box, Controls, Thermomet ...

et ve balık işleme makineleri
27.01.2026
onaylı
Satıcı
madde-No: 168636226
Yeni yer: 2020

kullanılmış

check
yer: Land-uk

Temperature-controlled processing tanks are vital in various industries, including food, pharmaceuticals, and chemical manufacturing, where precise temperature management is essential for product quality and safety. Here’s a detailed overview of temperature-controlled processing tanks:, What is a Temperature-Controlled Processing Tank?, A temperature-controlled processing tank is a vessel designed to maintain a specific temperature range during the processing of materials. These tanks are equipped with heat exchange systems, temperature sensors, and control mechanisms that ensure the contents remain at the desired temperature throughout the processing cycle., Key Features, - Heating and Cooling Systems:, - Heaters: Can be electric or steam-based to raise the temperature of the contents., - Chillers: Usually water or glycol-based cooling systems to lower the temperature., - Insulation:  ...

et ve balık işleme makineleri
27.01.2026
onaylı
Satıcı
madde-No: 168636227

kullanılmış

check
yer: Land-uk

The SEITAL SPX SE05X cream separator is a machine used primarily in dairy processing to separate cream from milk. Here are some key features and information that are commonly associated with cream separators like this model:, - Separation Process: Cream separators work on the principle of centrifugal force to separate cream from milk based on their different densities., - Capacity: The SE05X typically features a specific capacity for processing milk per hour, which is essential for both small-scale dairy farms and larger dairy operations., - Material: Most cream separators are made of high-quality stainless steel to ensure hygiene, durability, and easy cleaning., - Efficiency: The design usually maximizes the separation efficiency, allowing for the extraction of cream with a high fat content while minimizing the fat content in the skimmed milk., - Ease of Use: These machines are designed ...

et ve balık işleme makineleri
27.01.2026
onaylı
Satıcı
madde-No: 168636228

kullanılmış

check
yer: Land-uk

The MALLDISON milk pasteuriser with a capacity of 1000 liters per hour is typically designed for efficient processing of milk, ensuring safety and preservation of quality through pasteurization. Here are some key features and aspects you might find relevant:, - Functionality: The machine heats milk to a specific temperature for a set period, killing harmful bacteria while preserving essential nutrients., - Capacity: With a processing capability of 1000 liters per hour, its suitable for medium to large dairy operations, allowing for high volumes of milk to be pasteurized quickly., - Design: Many pasteurisers feature a stainless steel construction for hygiene and easy cleaning. They often have insulated heating chambers to maintain temperature efficiently., - Control System: Modern machines often come with digital controls for precise temperature and timing adjustments, improving the relia ...

et ve balık işleme makineleri
27.01.2026
onaylı
Satıcı
madde-No: 168636229

kullanılmış

check
yer: Land-uk

The Roversi butter churn 800 litres is a large-scale butter churn designed for industrial use, particularly in dairy processing facilities or large-scale butter production operations. Here are some general features and information about such a butter churn:, - Capacity: The churn is designed to handle up to 800 litres of cream at a time, making it suitable for large batches of butter production., - Construction: Typically made from high-quality stainless steel, which ensures hygiene, durability, and easy cleaning. This material is resistant to corrosion and is ideal for food processing equipment., - Design: Roversi churns often feature a modern design with user-friendly controls. They may include options for automatic or manual operation, depending on the model., - Performance: These churns are engineered for efficient butter production, enabling quick turnover of cream to butter, which  ...

et ve balık işleme makineleri
27.01.2026
onaylı
Satıcı
madde-No: 168636232

kullanılmış

check
yer: Land-uk

Üretici: Alfa Laval, Model: MRPX214 TGV-74, Fonksiyon: Peynir altı suyu ayırıcı/ Krem ayırıcı, Kapasite: 10.000- 12.500 litre/saat, Motor gücü: 15 kW, Elektrik: 380V/ 50 Hz/ 3 faz, Kase hızı: 1450 rpm, Aletler, Taban PlakaYeni, Kontrol Paneli Yeni Su sistemi (Valfler, basınç kabı, bağlantılar vb.) Servis Yedek Parçaları: Dairy Machinery UK, Üretici: Alfa Laval, Model: MRPX214 TGV-74, Fonksiyon: Peynir altı ayırıcı/ Krem ayırıcı, Kapasite: 10.000- 12.500 litre/saat, Motor gücü: 15 kW, Atış hızı: 1450 rpm, Servis Yedek Parça: Dairy Machinery UK

et ve balık işleme makineleri
27.01.2026
onaylı
Satıcı
madde-No: 168636233

kullanılmış

check
yer: Land-uk

The Alfa Laval Bactofuge 618 is a specific model of separator designed predominantly for the food and beverage industry, particularly for the dairy sector. Here’s an overview of its key features and applications:, Key Features, - Centrifugal Separation: Utilizes high centrifugal forces to separate bacteria and particles from liquids, which significantly improves the quality and shelf life of products., - High Efficiency: Known for its efficient separation capabilities, effectively removing unwanted microorganisms and solids from liquids., - Hygienic Design: Built with food safety in mind, featuring materials and designs that comply with industry hygiene standards to minimize contamination risks., - Compact Size: Designed to fit into smaller spaces within processing plants, making it suitable for various production environments., - Automated Control: Many models feature advanced automat ...

et ve balık işleme makineleri
27.01.2026
onaylı
Satıcı
madde-No: 168636235

kullanılmış

check
yer: Land-uk

EGLI 1700 Butter Churn, %60 tereyağı üretimiyle 900 litre krema kapasitesine sahiptir. Makine malzemeleri, ürünle temas edilebilir yüzeylerde paslanmaz çelik 316 L olmaktadır. Dişliler ve motorlar metal ile boya kaplaması ile kaplanmıştır. Makine, 2022'de tam yenilemeden sonra çok az ücret için kullanıldı., Çirgenin başlangıcında yeni kontrol paneli., Tereyağı Çalıntısı: EGLI, Hacim: 1700L toplam kapasite, Krem kapasitesi: 850L, S.N: DM1700UK, Durumu: Yenilendi, Hazır: Hemen Mevcut, Konum: Stokta

et ve balık işleme makineleri
27.01.2026
onaylı
Satıcı
madde-No: 168636236

kullanılmış

check
yer: Land-uk

The Trepko XPG 40 model is a Forming, Filling and wrapping machine for Aluminium foil or Parchment paper, this can be used to fill various products such as Butter, Margarine, Lard, Etc. The machine was fully refurbished in 2017 and it was never put in production now it’s with us in stock, we have made the full check over and is in perfect working order. The line consists also a Cintex Metal detector out feed conveyor ., Machine: Trepko XPG 40 , Capacity: up to 80 packets/min , Pack size: 100-300 grams, Dimensions: 100mm x 75mm x 35mm (250grams ) , Product: Butter, margarine, etc., Wrap material: Aluminium foil or parchment paper in reels, Product Feed: Hopper with Screws , Photocell: Foil Centering unit , Weight: 2.000 kg (gross), Machine Dimensions: Approx. 200 x 150 x 200 cm (l x w x h), Electricity: 2,2 kW

Aranan makineni bulamadın mı? makine arıyorum tüm bayilere (kayıt gerekmez)
Banner ad information  
RESALE since 1996